



Messtechnik
Machine Vision Konzeptionierung und Programmierung,
sowohl mit Flächenkameras als auch im Linescan mode.
Bildauswertung, OCR, Gut-Schlecht Erkennung in Programmabläufen.
MV Bildverarbeitung
Fundierte MSR-Technik Ausbildung und Erfahrung,
Messtechnikentwicklung nach Kundenvorgaben.
LabView Programmierung und Auswertung der Messergebnisse am PC
SMD Bestückung
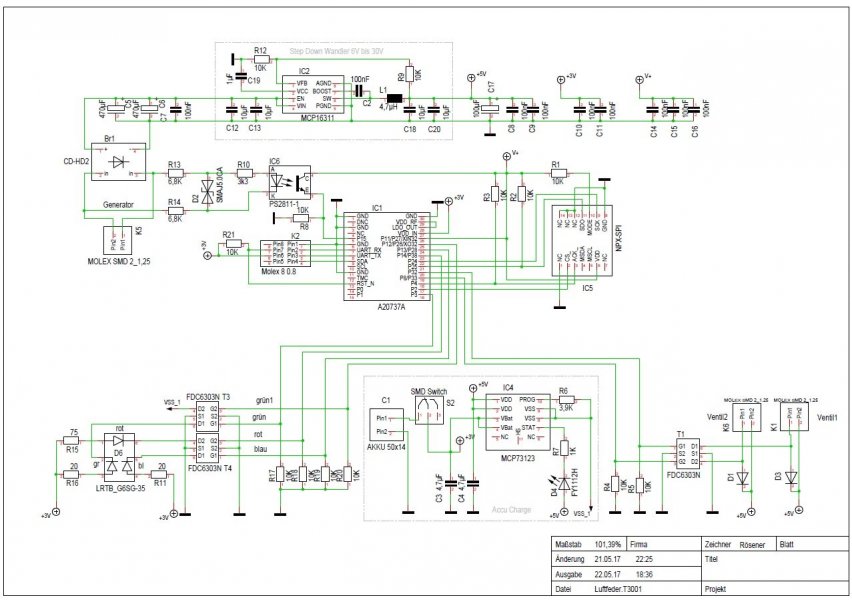
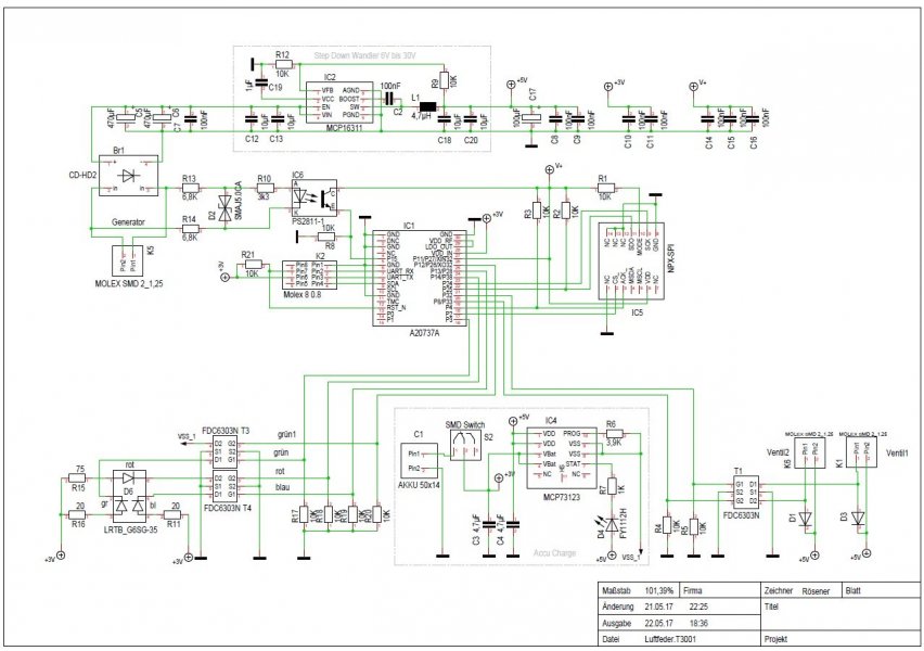
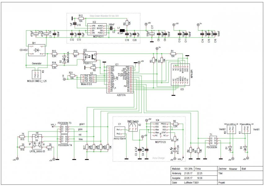
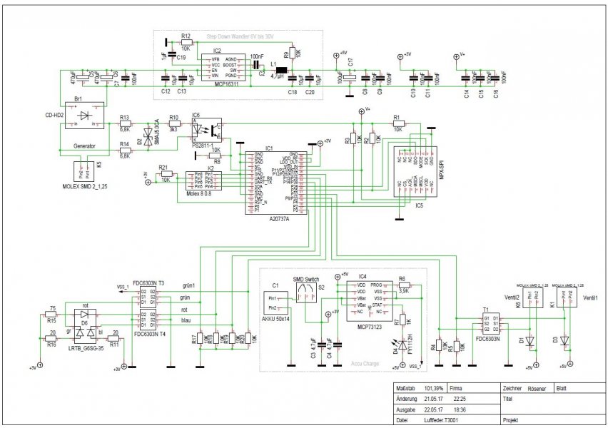
Microcontroller
Die Integration und Programmierung von Mikrokontrollern,
das Erstellen von eigenen und das Einbinden von Kunden Bibliotheken,
sowie die Device Anbindung über z.B. I²C , SPI , OneWire , CAN , BTle .....
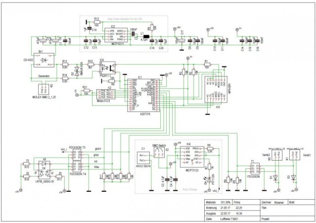
Von der Schaltungsentwicklung nach Kundenwunsch,
über die kundenorientierte Layouterstellung,
bis hin zur maschinellen SMD Bestückung, bieten wir alles aus einer Hand.





